Commande d'un wagon-grue Lionel françisé



Vous pouvez voir ci-dessous une photo du wagon grue Lionel que j'ai françisé.



Ce wagon-grue est associé à un wagon porte-flèche et à une loco vapeur qui les tracte.

La grue est commandée par un smartphone ou une tablette qui communiquent en Bluetooth avec une centrale DCC plaçée dans un conteneur posé sur le wagon porte flèche. La centrale DCC est alimentée par 2 batteries Li-Ion et elle génère le signal DCC qui est envoyé au wagon grue et à la locomotive qui tracte le wagon-grue et le wagon porte flèche.
La photo ci-dessous montre le wagon-grue, le wagon porte-flèche et la loco vapeur Pacific 231 sur mon réseau.



La photo ci-dessous montre les mêmes matériels sur le réseau de la section Bretagne du Cercle du Zéro lors de l'exposition de Pontivy (56) le 4 novembre 2023.



1. Matériel installé dans la cabine de la grue grue et description du système de commande

La grue est équipée de 4 moteurs qui assurent les fonctions suivantes:
- moteur 1 : montée et descente de la flèche
- moteur 2 : montée et descente du crochet simple
- moteur 3 : montée et descente du crochet double
- moteur 4 : rotation de la grue

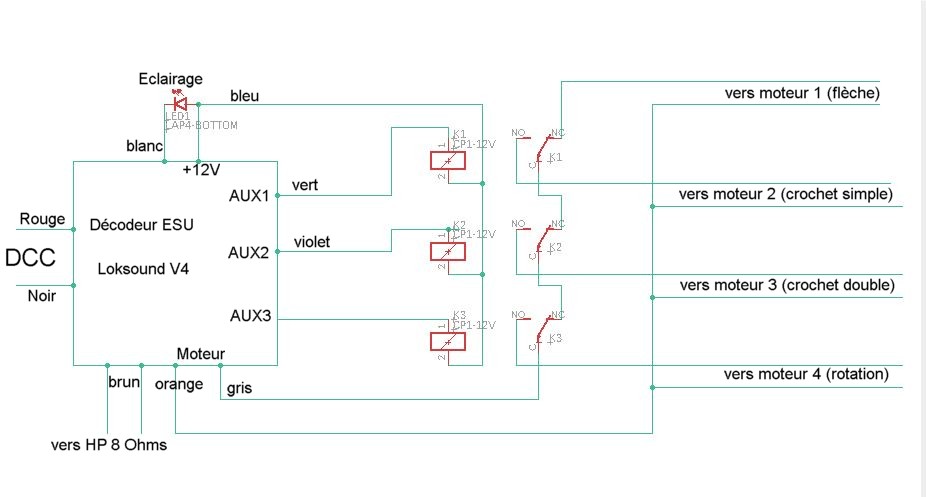
La commande de la grue en DCC est réalisée par un décodeur DCC ESU Loksound V4 et par 3 relais miniatures 1 RT (12.3 x 7.3 x 10 mm) de la marque OMRON achetés chez GOTRONIC:
https://www.gotronic.fr/art-relais-omron-g5v1-12-4138.htm

Le schéma du système réalisé avec les connexions des moteurs au décodeur Loksound est donné ci-dessous.



La bobine de chaque moteur est reliée au commun (+12V, fil bleu) et à une sortie AUX du décodeur. Chaque sortie AUX du décodeur DCC est commandée par un numéro de fonction (par exemple F2, F3, F4). On ne peut commander qu'un seul moteur à la fois. Lorsqu'aucun relais n'est actionné, le courant est envoyé au moteur 1 qui commande la flèche. Le sens de marche (montée ou descente) et la vitesse sont réglés par le décodeur DCC. La vitesse est la même pour chaque moteur. L'arrêt de chaque moteur est obtenu en mettant la vitesse à zéro.

L'adresse du décodeur que j'utilise est 51.
Voici les fonctions utilisées pour commander la grue:



Les photos ci-dessous montrent les composants installés dans la cabine de la grue.


2. Description du codeur DCC installé dans un conteneur sur le wagon-grue

Le conteneur contient les composants suivants:
- 2 batteries Li-Ion qui fournissent une tension de 18V
- un interrupteur
- un module ARDUINO NANO qui génère le signal DCC
- un module BLUETOOTH HC-05 qui reçoit les signaux émis en Bluetooth par le smartphone et les transmet à l'ARDUINO
- un module amplificateur LMD 18200 qui fournit le signal DCC
- un régulateur 7805 qui délivre une tension de 5V à l'ARDUINO et au module Bluetooth
Le signal DCC est tranmis par des cables situés sous le wagon porte-flèche vers le wagon-grue et vers la locomotive.
Le schéma du codeur DCC est donné ci-dessous.



Et voici une photo des composants dans le conteneur.



3. Application Android "wagon-grue"

Cette application appelée "wagon-grue" se connecte en Bluetooth au codeur DCC et permet de piloter la grue et la locomotive de traction.

En outre, il est possible d'enregistrer les commandes en appuyant sur le bouton "ENR" et de les reproduire automatiquement en appuyant sur le bouton "PLAY". Le bouton intitulé "Init" donne accès à un autre écran où l'on peut entrer l'adresse MAC du module Bluetooth HC-05, et les adresses DCC des décodeurs DCC installés dans le wagon-grue et dans la locomotive.

J'ai réalisé cette application à l'aide du logiciel en ligne intitulé MIT App Inventor 2 que l'on peut trouver à l'adresse suivante:
http://ai2.appinventor.mit.edu/

Vous pouvez voir ci-dessous une copie d'écran de la tablette.



4. Téléchargements

Vous pouvez télécharger le dossier intitulé "grue.zip" en cliquant ici.

Ce dossier comprend le programme de l'Arduino qui génère le signal DCC et l'application Android wagongrue.apk à télécharger et installer sur le smartphone.

5. Video





Retour page DCC


Retour page d'accueil